top of page
Riteway Brake Dies
The Pinnacle of Precision Tooling
Aircraft Tooling
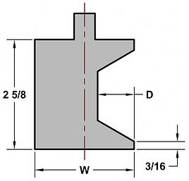
Aircraft-style tooling is designed and manufactured to provide significant forming advantages over standard conventional tooling. The Aircraft profiles are precision planned to enhance air-forming accuracy. In addition, they are highly polished to minimize marking. Aircraft punches are well suited for use with urethane pad dies.






















bottom of page
